Mezclador/Agitador/Batidor Magnético de Entrada Lateral
Descripción
El agitador magnético de entrada lateral adapta una estructura de sellado estático y utiliza un fuerte campo magnético para liberar torsión sin ningún contacto, lo cual puede evitar de manera permanente una fuga. Este mezclador magnético de entrada lateral es generalmente utilizado para componentes inflamables, explosivos, de alta presión y con medio tóxico.
Características del Mezclador Magnético de Entrada Lateral
1.El agitador magnético de entrada lateral puede alcanzar la eficiencia máxima de mezclado durante el proceso de consumo de energía. Y su consumo de energía solo utiliza 1/3~2/3 del mezclador central común.
2.Teniendo una estructura de sellado estático y libre de transmisión de torsión, este agitador magnético de entrada lateral ofrece cero fuga de manera permanente..
3.Este tipo de mezclador magnético de entrada lateral y la longitud del eje también pueden ser diseñados y fabricados de acuerdo a los requisitos del cliente.
Aviso
Los usuarios necesitan especificar la temperatura, presión y decidir si contendrá partículas sólidas y corrosivas cuando elijan el modelo de agitador magnético de entrada lateral
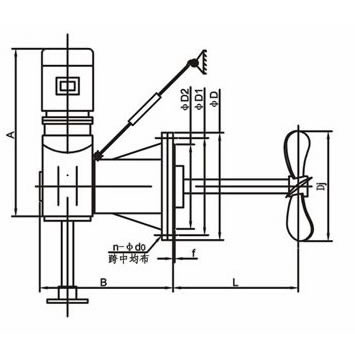
Principales Normas Técnicas del Mezclador Magnético de Entrada Lateral
| Series | Velocidad (rpm) |
Potencia | A | B | D | D1 | D2 | f | n-do | DJ | Peso |
| CMC100 | 0-500 | 2.2 | 800 | 863 | 360 | 320 | 260 | 2 | 12-φ18 | 100-350 | 266 |
| 3 | |||||||||||
| CMC200 | 0-500 | 4 | 850 | 783 | 490 | 445 | 413 | 3 | 16-φ22 | 300-450 | 533 |
| 5.5 | |||||||||||
| CMC600 | 0-500 | 7.5 | 1050 | 819 | 595 | 555 | 518 | 3 | 20-φ26 | 400-550 | 795 |
| CMC800 | 0-500 | 11 | 1380 | 1023 | 750 | 705 | 667 | 5 | 20-φ26 | 500-600 | 1050 |
| CMC1200 | 0-500 | 15 | 1380 | 1023 | 860 | 810 | 772 | 5 | 24-φ26 | 500-700 | 1238 |
Nosotros ofrecemos diferentes tipos de agitadores magnéticos como el agitador magnético de entrada lateral, agitador magnético de entrada superior y agitador magnético de entrada inferior para que el cliente elija según sus especificaciones. Ssomos fabricantes y proveedores profesionales de máquina para mezclar y equipos para agitar en China. Hemos estado en este ramo por 10 años. Nnos esforzamos por introducir nuevas técnicas tecnología. Nuestra máquina para mezclar es reconocida como un productos famoso y de marca registrada, lo cual ha dado confianza a nuestros clientes nacionales e internacionales.
.

- Agitador/Batidor/ Mezclador Magnético de Entrada SuperiorEl agitador magnético de entrada superior adapta una estructura de sellado estático y utiliza un fuerte campo magnético para liberar torsión sin ningún contacto, lo cual puede evitar de manera permanente una fuga. Este mezclador de entrada superior es generalmente utilizado para...





