Agitador/Batidor/Mezclador Magnético de Entrada Inferior
Descripción
El agitador magnético de entrada inferior adapta una estructura de sellado estático y utiliza un fuerte campo magnético para liberar torsión sin ningún contacto, lo cual puede evitar de manera permanente una fuga. Este mezclador magnético de entrada inferior es generalmente utilizado para componentes inflamables, explosivos, de alta presión y con medio tóxico.
Características del Agitador Magnético de Entrada Inferior
1. Este mezclador magnético de entrada inferior trabaja a temperaturas con un rango de -60℃ a 350℃.
2. Este batidor magnético de entrada inferior puede funcionar con presión entre -0.1 y 22 MPa.
3. El par de salida de este agitador magnético de entrada inferior es menor de 5000 N. M.
4. La velocidad de mezcla de este mezclador magnético de entrada inferior es menor a 1500 rpm.
Aviso
Al elegir nuestro mezclador magnético de entrada inferior, los clientes deben especificar la temperatura que van a solicitar, presión, así como la información de uso de material corrosivo o partículas sólidas. La brida de conexiones también puede ser fabricada de acuerdo al criterio de los usuarios.
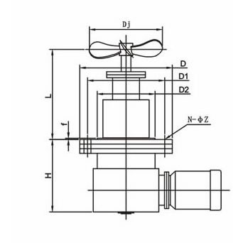
Principales Normas Técnicas del Agitador Magnético de Entrada Inferior
| Modelo | Energía(KW) |
Velocidad(r/min.) |
Tamaño |
Configuración de tamaño |
Forma de Mezclado |
|||||
| D | D1 | D2 | N-φ z | f | L | A | ||||
| TDC30 | 0.75-1.5 | 0-1000 | 240 | 200 | 150 | 8-φ18 | 3 | 320 | 165 | Empuje, pala |
| TDC50 | 2.2-4 | 0-1000 | 300 | 265 | 230 | 8-φ18 | 3 | 450 | 186 | Empuje, varilla |
| TDC200 | 5.5 | 0-1000 | 350 | 300 | 250 | 12-φ18 | 3 | 530 | 243 | Empuje, varilla |
| TDC800 | 7.5 | 0-1000 | 450 | 400 | 350 | 12-φ18 | 5 | 650 | 266 | Empuje, varilla |
| TDC1600 | 11 | 0-1000 | 550 | 500 | 450 | 12-φ18 | 5 | 700 | 338 | Empuje, varilla |
TallKee Mixer Equipmentes un fabricante y proveedor profesional de equipo para mezclar y agitador magnético de entrada inferior en China. Nuestros productos incluyen principalmente la varilla para mezclar, mezcladora, dispersador, agitador portátil, mezclador magnético de entrada inferior, agitador magnético, mezclador horizontal, agitador para dispersión, agitador para mezclar y soporte de mezcla. Exportamos nuestra máquina para mezclar a Japón, Corea, Rusia, Singapur, Canadá, Kazajstán, Armenia, Ucrania y México. Si usted solicita un agitador magnético de entrada inferior, favor de contactarse con nosotros.

- Agitador Horizontal de Entrada Lateral CPEl agitador horizontal de entrada lateral CP esta equipado con una resistente correa de transmisión, el cual permite cambiar el sello mecánico sin necesidad de retirar el motor y vaciar los materiales en el tanque. El mezclador horizontal de entrada lateral CP es utilizado en gran medida en plantas ...





