Agitador Gear Drive Entrada Lateral CR
Descripción
El agitador gear drive entrada lateral CR adapta el engranaje GLEASON para realizar la transmisión. Este agitador de entrada lateral es capaz de resolver por completo el problema de la fuga y garantizar que el lugar de trabajo se conserve limpio y seguro. No hay necesidad de expulsar los materiales cuando se cambia el sello mecánico, sólo se tiene que iniciar el dispositivo de parada de fugas.
Características del Agitador Gear Drive Entrada Lateral CR
Este agitador de entra lateral esta compuesto de un motor, engranaje GLEASON, caja de cambios, sellado mecánico, eje, varilla y dispositivo para frenar fugas.
1.Las características de este agitador de entrada lateral incluyen eficiencia de transmisión, ningún error de deslizamiento, precisión, operación estable, ahorro de energía, etc.
2.Puede adoptar un sellado mecánico o sello de empaque.
3.El agitador de entrada lateral CR puede alcanzar mayor eficiencia con menor consumo de energía. Y su consumo de energía es de solo 1/3 a 2/3 de los mezcladores en general.
Atención
Al elegir el agitador de entrada lateral, los clientes necesitan remarcar su temperatura y presión, y si solicita la función de partículas sólidas y corrosivas.
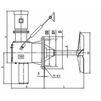
Principales Normas Técnicas del Agitador Gear Drive Entrada Lateral CR
| Series | Velocidad | Energía | A | B | L | D | D1 | D2 | f | K | N-Φz | DJ | Peso |
| CR1 | 325(4P) | 2.2 | 600 | 683 | Personalizado por el cliente | 360 | 320 | 260 | 3 | 650 | 12-Φ18 | 100-350 | 266 |
| 3 | |||||||||||||
| 4 | |||||||||||||
| 215(6P) | 1.5 | ||||||||||||
| 2.2 | |||||||||||||
| 3 | |||||||||||||
| CR2 | 325(4P) | 5.5 | 850 | 683 | 490 | 445 | 413 | 3 | 750 | 16-Φ22 | 300-450 | 533 | |
| 7.5 | |||||||||||||
| 215(6P) | 4 | ||||||||||||
| 5.5 | |||||||||||||
| CR3 | 318(4P) | 11 | 1050 | 819 | 595 | 555 | 518 | 5 | 950 | 22-Φ26 | 400-550 | 895 | |
| 15 | |||||||||||||
| 210(6P) | 7.5 | ||||||||||||
| 11 | |||||||||||||
| CR4 | 303(4P) | 18.5 | 1380 | 1023 | 750 | 705 | 667 | 5 | 1100 | 24-Φ26 | 500-700 | 1238 | |
| 2 | |||||||||||||
| 200(6P) | 15 | ||||||||||||
| 18.5 | |||||||||||||
| CR5 | 303(4P) | 30 | 1580 | 1220 | 860 | 810 | 772 | 5 | 1500 | 24-Φ26 | 500-700 | 1455 |
Observaciones
1.El peso de este formato es el peso aproximado, excluyendo el peso de la suspensión o la base de apoyo.
2.El peso del motor es el peso aproximado del motor interior en general, el cual varía de acuerdo al diferente tipo de fabricación y modelo de motor. Por favor considerar el peso diseñado como estándar.
3.Si el grosor de la pared del agitador de entrada lateral CR es muy delgado y su fuerza es insuficiente, favor de utilizar la suspensión, base de apoyo y otros accesorios para reforzar.
4.La varilla y longitud del eje pueden ser fabricados de acuerdo a los requisitos del cliente.
Wuxi Top Mixer Equipment Co,Ltd. es un fabricante de agitador Gear Drive entrada lateral en China. Nuestros productos incluyen principalmente la varilla para mezclar, mezclador, dispersador, agitador portátil, agitador magnético, agitador horizontal, agitador gear drive de entrada lateral CR, mezclador sumergible, raspado de lodo, mezclador de agua industrial, agitador para emulsión, agitador de alimento, mezclador farmacéutico, agitador químico y accesorio para mezclar. Hemos obtenido maravillosos logros en diseño y fabricación de máquinas para mezclar de gran tamaño, agitador de entrada lateral, aparatos para mezclar de alta velocidad, agitador inmerso (gear drive) y equipo para mezclar de entrada lateral e inferior.

- Agitador Gear Drive Entrada Superior DLEl agitador gear drive de entrada superior DL está diseñado para mezclar material de baja viscosidad o material pesado. Se fabrica con fuerza y un engranaje superficial de transmisión. El agitador gear drive de entrada superior utiliza rodillos cónicos de gran tamaño en los ...










